



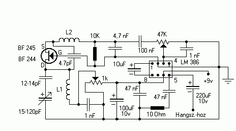
FM vevő FET-tel
Tekercsadatok:
L1 = 7 menet 6 mm-re, 0.3-as rézből, eléggé szét kell húzni, hogy az egész FM sáv bejöjjön.
L2 = 26 menet ferritmagra 0.2-0.3-as rézből (ferritmag kb.: 7-12 mm átmérőjű legyen)
Antenna: kb.: 25-30 cm-es vezetékdarab (valami vastagabb fajta), de teleszkópantenna is jó ide. Az antennát az L1 és az 1 nF közös pontjára kell kötni. (ez nincs rajta a rajzon)
A tápfeszültségre nem túl érzékeny: 5-12 V. De a legjobb 9-10 V. (itt a legkönnyebb beállítani)





2002. november 20. 17:00
Vélemény:
10
Szavazat:
15
Mai látogató:
6
Utolsó látogatás:
Ma 06:34:22
Legújabb írás
2025-01-01 15:06















Digitális IC katalógus
Tranzisztor katalógus
Dióda katalógus
PDF dokumentációk
Fórum
Partnerek
Letöltések
Belépés / Regisztráció
Vendégkönyv
Fényképalbum
Raktár




"Az antennát az L1 és az 1 nF közös pontjára kell kötni. (ez nincs rajta a rajzon)"