



PIC óra LCD kijelzővel
Nagyon régóta vágytam arra, hogy megalkossam az első saját órámat. Régebben sokat kísérleteztem mindenféle CMOS IC-vel de hamar rájöttem, hogy ezek megbízhatatlanok.Ezért hát elkezdtem az LCD óra projektemet.Ez, amit már közzéteszek a 4. verzió, beállítási lehetőségekkel és belső finomhangolási lehetőséggel. Az eszközön futó C-ben íródott programot teljes mértékben én fejlesztettem. Különösebb részleteket nem írok le, annyi elég róla, hogy néhány változó segítségével elég ügyesen dolgozik.Az ékezetes karakterek kezelése egyetlen okból maradt ki: nem volt már hely az IC-ben. A vezérlésről egy PIC16F628-as IC gondoskodik. A program egyenlőre még nagyon bonyolult, emiatt szinte az összes RAM és ROM ki lett használva.
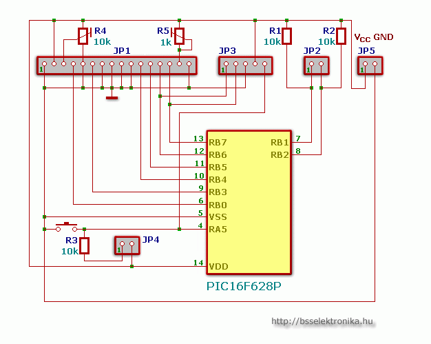
A program belső órajele 4Mhz, amihez nem kell semmiféle oszcillátor, az IC-be épített darabot használja.
A kijelző egy 16x2 soros LCD, az enyémen háttérvilágítással is rendelkezik.
Ez a két lényeges alkatrész van, a többiből sok el is hagyható.
2 darab trimmer potenciométer: a nagyobb a kijelző kontrasztját hivatott állítani, a kisebbik pedig a kijelző fényerejét. Az enyémen ez át van hidalva mert a trimer a legkisebb álláson is nagyon leveszi a fényerőt. 3 darab 10 kΩ-os ellenállás kell az alaplapra. Az eredetin szerepel ICSP csatlakozás is, de az nálam eléggé megbízhatatlanul működött.
A panelen van még egy gomb, ami a reset funkciót tölti be, ha esetleg nullázni kéne, de igyekeztem úgy tervezni a rendszert, hogy ne kellejen percekig nyomni a gombot, hogy hétfőről vasárnap legyen.
Érdemes hozzá 5V-os stabilizálót építeni valamint a két funkciógombnak egy közös nyákot.
A gombok működése:
Amikor az óra látszik akkor a B1-en lévő (Menü/fel) gomb hosszas nyomásával majd elengedésével lehet behozni a beállításokat.
Itt ugyanezen gomb lenyomására jön elő a finomhangolás még a másik gomb megnyomásával az órát tudjuk beállítani.
A finomhangoláson belül újabb 2 menü: nulláz és beállít. A nulláz leveszi a késés értékét 1-re, azaz nagyjából fél másodperc lesz egy másodperc (ez tudom furán hangzik de igyekszem érthető lenni) Ezt, 5 Volt esetében érdemes nagyjából 410 környékére állítani (állítani a menü/fel gombbal lehet).
Az idő beállításánál megjelenik az óra és a perc száma. Az óra alatt 2 kocka mutatja, hogy most azokat lehet állítani 0-23 óráig, ezt a már említett menü/fel gombbal tehetjük meg. Ezután megnyomva az ok gombot a két kocka átugrik a perc alá és ismét ugyanazzal a menü/fel gombbal lehet beállítani azt is. Ezután ha az okét megnyomjuk a napot lehet beállítani. 1=Hétfő, 2=Kedd, 3=Szerda, 4=Csütörtök, 5=Péntek, 6=Szombat, 7=Vasárnap. Ez ismét a menü/fel gombbal állítható. ha bármelyik értéknél túlszaladnánk nem kell azonnal nullázni az IC-t, ha tovább pörgetjük akkor az óra 24-nél, a perc 60-nál a nap 7-nél nulláz és kezd elölről. Innen egy újabb OK és máris visszatértünk az órába.
A működtető program innen letölthető.
Mindenkinek sikeres után építést és jó szórakozást kívánok!
A program belső órajele 4Mhz, amihez nem kell semmiféle oszcillátor, az IC-be épített darabot használja.
A kijelző egy 16x2 soros LCD, az enyémen háttérvilágítással is rendelkezik.
Ez a két lényeges alkatrész van, a többiből sok el is hagyható.
2 darab trimmer potenciométer: a nagyobb a kijelző kontrasztját hivatott állítani, a kisebbik pedig a kijelző fényerejét. Az enyémen ez át van hidalva mert a trimer a legkisebb álláson is nagyon leveszi a fényerőt. 3 darab 10 kΩ-os ellenállás kell az alaplapra. Az eredetin szerepel ICSP csatlakozás is, de az nálam eléggé megbízhatatlanul működött.
A panelen van még egy gomb, ami a reset funkciót tölti be, ha esetleg nullázni kéne, de igyekeztem úgy tervezni a rendszert, hogy ne kellejen percekig nyomni a gombot, hogy hétfőről vasárnap legyen.
Érdemes hozzá 5V-os stabilizálót építeni valamint a két funkciógombnak egy közös nyákot.
A gombok működése:
Amikor az óra látszik akkor a B1-en lévő (Menü/fel) gomb hosszas nyomásával majd elengedésével lehet behozni a beállításokat.
Itt ugyanezen gomb lenyomására jön elő a finomhangolás még a másik gomb megnyomásával az órát tudjuk beállítani.
A finomhangoláson belül újabb 2 menü: nulláz és beállít. A nulláz leveszi a késés értékét 1-re, azaz nagyjából fél másodperc lesz egy másodperc (ez tudom furán hangzik de igyekszem érthető lenni) Ezt, 5 Volt esetében érdemes nagyjából 410 környékére állítani (állítani a menü/fel gombbal lehet).
Az idő beállításánál megjelenik az óra és a perc száma. Az óra alatt 2 kocka mutatja, hogy most azokat lehet állítani 0-23 óráig, ezt a már említett menü/fel gombbal tehetjük meg. Ezután megnyomva az ok gombot a két kocka átugrik a perc alá és ismét ugyanazzal a menü/fel gombbal lehet beállítani azt is. Ezután ha az okét megnyomjuk a napot lehet beállítani. 1=Hétfő, 2=Kedd, 3=Szerda, 4=Csütörtök, 5=Péntek, 6=Szombat, 7=Vasárnap. Ez ismét a menü/fel gombbal állítható. ha bármelyik értéknél túlszaladnánk nem kell azonnal nullázni az IC-t, ha tovább pörgetjük akkor az óra 24-nél, a perc 60-nál a nap 7-nél nulláz és kezd elölről. Innen egy újabb OK és máris visszatértünk az órába.
A működtető program innen letölthető.
Mindenkinek sikeres után építést és jó szórakozást kívánok!
Nyomtatott áramkör
Bejelentkezés után működő funkció!
Nézettség:










Szint:
Szavazat:
Készült:
2014. december 01. 11:18
2014. december 01. 11:18
Vélemény:
3
Szavazat:
5
Mai látogató:
4
Utolsó látogatás:
Ma 01:41:19
Bejelentkezés után használható funkció!
Értékeld a cikket!
Szavazatok
3,0
Az írást küldte: ihmmani
Legújabb írás
2025-01-01 15:06















Digitális IC katalógus
Tranzisztor katalógus
Dióda katalógus
PDF dokumentációk
Fórum
Partnerek
Letöltések
Belépés / Regisztráció
Vendégkönyv
Fényképalbum
Raktár





