



QUAD 405 erősítő





2005. április 26. 10:34
Vélemény:
49
Szavazat:
36
Mai látogató:
16
Utolsó látogatás:
Ma 10:23:46
Legújabb írás
2025-01-01 15:06

























Vélemény:
49
Szavazat:
36
Mai látogató:
16
Utolsó látogatás:
Ma 10:23:46
2025-01-01 15:06Ne bántsátok szerencsétlent, most kezdi az ipart, még az is lehet, hogy 18 sincs. Én is voltam gyerek és ugyanilyen f@szságokat kérdeztem az Interneten 15 évvel ezelőtt.Viszont Öcsi, neked tényleg azt javaslom, hogy ne ezzel kezdd, van kismillió egyszerűbb dizájn, és ha már 3-5 éve rendszeresen építesz mindenféle elektronikai cuccot, akkor gyere vissza és építs egy ilyet. Hidd el, az első próbálkozásnál úgyis eldurran valami (ez a szakmával jár...). Elsőnek keress egy LM386, NE 5532 vagy TDA7294 alapú kapcsolást, az ~10 alkatrészből megvan, össze tudod rakni a "sárgás panelen" (próbapanelnek hívják), és egyből van sikerélmény. Aztán ha az megvan, akkor nézz utána és rakj össze egy egytranzisztoros erősítőt. Aztán nézd meg, hogy kell vasalóval, lézerprinterrel és sósav+peroxid keverékkel NYÁK-ot marni.+1: Ha tudsz angolul, tessék Great Scott-ot (neki pont van erősítő építős videója), Ben Eatert, Usagi Electric-et nézni. Ha nem tudsz, akkor Walter Reébet és Kristálytiszta Elektronikát
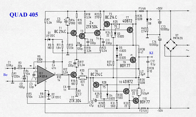
Öcsi, az nem D8, hanem DB, ami egy LED (light-emitting diode (=fényt kibocsátó dióda) ) és olyat teszel oda, ami tetszik, de elhagyható a hozzá tartozó ellenállással együtt, az IS1 "-" és "+" felirata nem a tápot jelöli, hanem hogy melyk az invertált "-" és neminvertált "+" bemenete az IC-nek (ne foglalkozz vele), a T9 és T10 két tök egyforma tranzisztor, nincs rajta mit válogatni és valószínüleg csak valaki megjelölte magának (ne foglalkozz vele). Ami pedig a tápot illeti, a -50V nem elírás. Ez az erősítő kétpoláris (szimmetrikus) tápról működik +50V GND -50V és a 10000uFx25V kondik úgy fognak felrobbanni, hogy öröm lesz nézni. Ne sértődj meg, de ilyen elektronikai tudással ne fogj neki egy ilyen erősítőnek (ezzel meggyalázod a Quad 405-öt). Hagyd az elektronikát, legyél inkább mozdonyvezető.
viszont lenne pár kérdésem is: a D8nak mi az értéke?? IS1nél az a - + jelölés a tápot jelöli? T9 T10nél mi az az 1 2?? ezeket párba kellene válogatni? Ja és egy észrevétel aki még meg akarja épiteni! Van GND úgyhogy a -50V az ott egy elírás! 
Zsolt69voltam boltba de nem jártam nagy sikerel.
Mondom mi az amit nem lehet hozá venni: PM7a20-at sehol nem találtam az eggyik boltba megrendelték nekem de csak 2dbot tudtak hozni pedig 4 kellet volna. A transzisztorokra azt mondták hogy ezek nagyon el avúlt tipusok , keressek másik tipust, de milyet
D2 D5 D6-ról nem is halottak. LM301A helyett tudtak adni mást remélem jó lessz. A C13 C14nél is bajba voltam mert vagy 1000u 50V volt, vagy 10.000u 25V. végül a 10000u-s vetem. Kértem nyákot is a boltba Quad450-höz, de azt monták, hogy ilyet nem lehet kapni, adtak valami sárgás panelt ami tele van lyukkal, azt mondták, hogy erre meg tudom építeni. Azt nem tudom, hogy abba hová és hogyan tegyem az alkatrészeket. mind1 majd rájövök. A többi naggyából meglett végül. Azt monták még hogy Pesten van valami Orbán elektronika bolt ott próbáljam meg mert ők csinálnak qvadhoz nyákot, de mikor jutok én Pestre még sose voltam ott 
Öcsi,ha azt sem tudod mi az a nyák, inkább neki se kezdj.ez nem egy villogó!vegyél kész nyákot, hidd el olcsóbban kijössz.
Sziasztok!
Meg szeretném építeni amatőr módon, kellene egy jó eősitő. És ezt nagyon dicsérik!!!
Értek már az elektronikához, raktam már össze ezt azt (villogó, ilyenek) Meg csináltam már ilyen vonat lámpa villogót is ami két piros led vilog.
Szerintetek neki fogjak ennek? mennyire nehéz megcsinálni?A másik kérdésem: mi az a NYÁk? Az a zöld lap amin az alkatrészek vannak? Olyat lehet csinálni otthon?
eszt is olyanra kell megcsinálni, vagy elég, ha össze forasztom az alkat részeket, mint a villogónál?Köszi előre is!!!! 
A mai napig szól hibátlanul. Imádom.A 80-as évek legvégén építettem szinte nulla gyengeáramú tudással, végtelen lelkesedéssel.
+-35V-ra csökkentve a tápfeszültséget viszont rá köthetitek a 4 ohmos hangdobozokat is. A trafó ez esetben AC 24-27V legyen.
A 4 ohm-os hangfalnak semmi köze hozzá,de vigyázzál ha 2x50volttal hajtod a 4ohm-os hangfal megöli az erősítőt.A végfok 8 ohmos. Ellenőrizd a kondikat,
Az R11 nélkül a kimeneti hang éles. Igaz 4 ohmos hangfalat használtam. Ez lenne az oka? 