



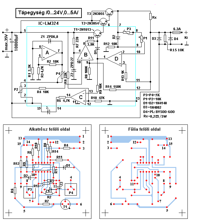
Szabályozható rövidzárvédett tápegység
Nem invertáló bemenetén P2-től kapja a vezérlést, míg az invertáló bemenetét a tápegység kimenetén jelentkező (terhelésváltozás okozta) feszültségváltozás vezérli. Ha csökken a tápegység kimenő feszültsége a 8-dik IC lábán növekszik a potenciál. A B op. amp. hajtja meg a tápegység darlington-kapcsolású soros áteresztő elemét. A D részerősítő és áramköre végzi a kimeneti áram limitációt. Az előlap P1-el állítható be a megszólalási áramérték, míg a P3-as trimmer-potenciométerrel a maximális kimenő áramértéket állíthatjuk be.
Az Rx 0,2 ohmos huzalellenállás az áramkorlátozó figyelő ellenállása. D komparátorként üzemel, nyugalmi állapotban kimenete az LM324 27V-os tápfeszültségére van kiakadva. Az áram limitáció megszólalásakor kimenő feszültsége 0-ra esik és az 1-es lábra kötött 1 N4148-as diódán át lezárja a soros áteresztő elemeket. Az LM324 utolsó, C részerősítője vezérli az áramlimitációt kijelző LED-et. Nyugalmi állapotban a D kimenetén levő magas szint miatt C kimenete 0-n van (a 13-as invertáló bemenet). Áramlimitációkor C kimenete 27V-ra ugrik és a LED begyújt.
Ha nagy áramot kell hosszabb időn keresztül a tápegységnek leadni, előfordulhat, hogy az áteresztő tranzisztor hűtőbordája túlmelegszik. Ennek elkerülésére érdemes beépíteni elektronikus vezérlésű ventillátort, mely csak akkor kapcsol be, ha valóban szükség van rá.
Kísérleti áramköröket elindítani tökéletes. Érdemes feszültségmérővel kiegészíteni vagy akár ampermérővel is, így fullos műszert kapunk.
A kapcsolás egy módosított változata itt látható.






2002. február 02. 22:10
Vélemény:
26
Szavazat:
22
Mai látogató:
37
Utolsó látogatás:
Ma 07:07:50
Legújabb írás
2025-01-01 15:06















Digitális IC katalógus
Tranzisztor katalógus
Dióda katalógus
PDF dokumentációk
Fórum
Partnerek
Letöltések
Belépés / Regisztráció
Vendégkönyv
Fényképalbum
Raktár




LM324
Igaz, 0,2 A alá nem tudom csökkenteni, de most legalább stabilan működik.