
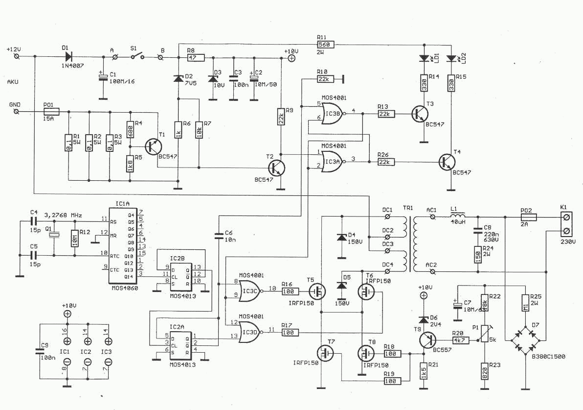
Az alapórajelet a
4060-al felépített kvarc oszcillátor adja, ezt osztja le a
4013-as IC. A
4001 típusú IC-k kapcsolgatják ellenfázisban a végtranzisztorokat. A T5-T8-at izolálva hűtőbordához rögzíteni. A trafó mezei 2x9V -> 230VAC, 160-200VA, legjobb, ha toroid. A PCB-n a terhelt részeket meg kell erősíteni rácinezett rézdróttal a keresztmetszet legalább legyen 1,5 mm2. A beültetés után az élesztés trafó nélkül, szabályozott táppal, 8,5V alatt. a piros led (LD1) világit, utána a P1-el bealítani a 230VAC kimeneti feszültséget..160VA-hoz úgy 12 V-ról kb 15A kell! Az
IRFP150 típusú fet helyett érdemes használni az olcsóbb és teherbíróbb
IRFZ44 típust.
Ha nagyobb teljesítmény szükséges, érdemes megnézni az
500 W teljesítményű kapcsolást is.
Nyomtatott áramkör
Bejelentkezés után működő funkció!
FIGYELEM!
A kapcsolás elkészítésekor fokozottan ügyelni kell a hálózati feszültség miatt az érintésvédelmi szabályok betartására!