



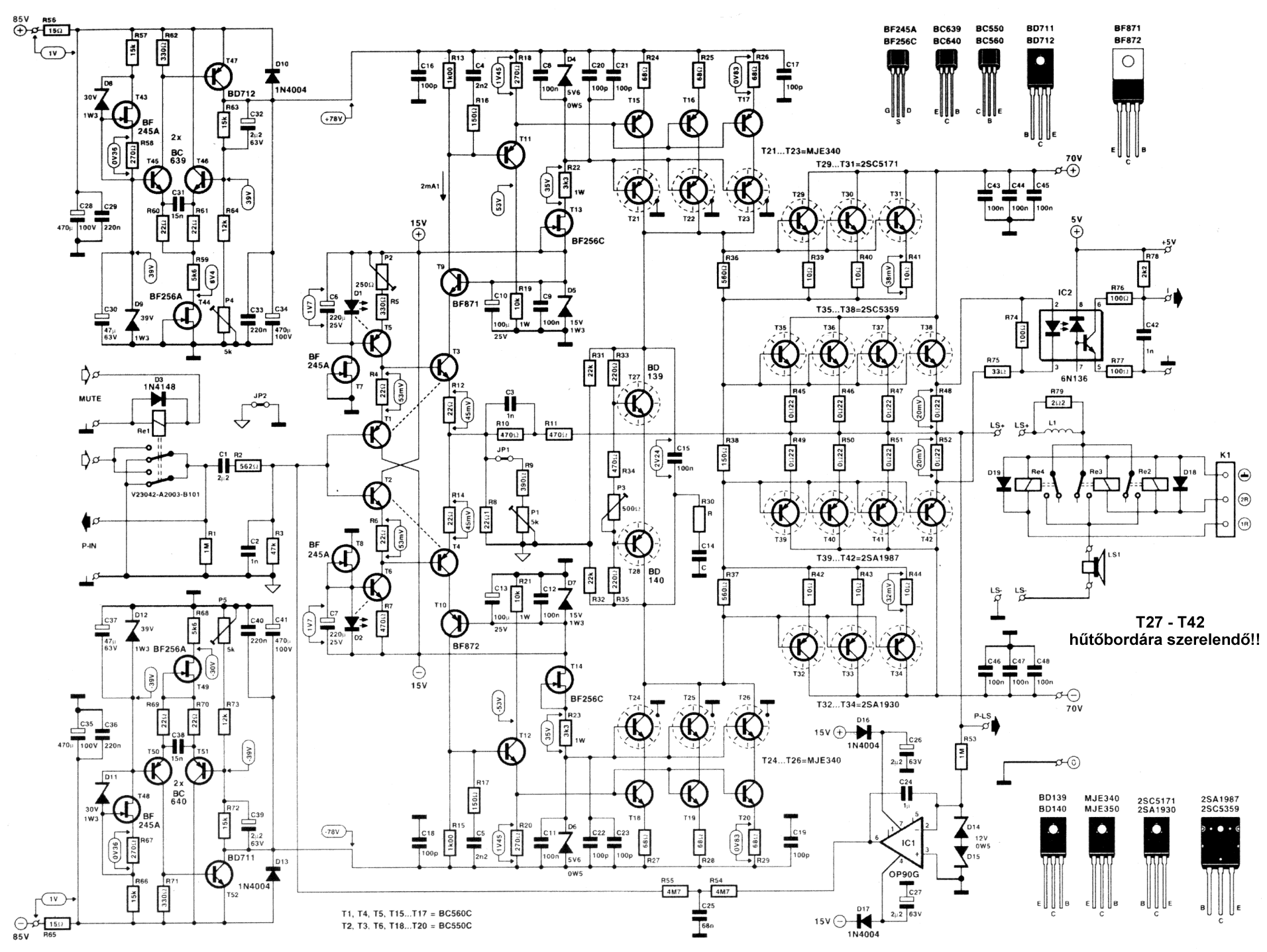
Hangfrekvenciás erősítő - 2000 W





2008. november 13. 07:52
Vélemény:
33
Szavazat:
13
Mai látogató:
68
Utolsó látogatás:
Ma 19:14:44
Legújabb írás
2025-01-01 15:06

























Vélemény:
33
Szavazat:
13
Mai látogató:
68
Utolsó látogatás:
Ma 19:14:44
2025-01-01 15:06sziasztok :) leci valaki kuldjon nekem nyaktervet meg beultetest megszeretném épiteni 
Hello!!! Valaki tudna nyákrajzot+ beultetési rajzot kuldeni, akinek meg van erre az e-mail cimre: olahtamas4ever@freemail.hu
léciküldjön valaki nyáktervet és beültetési rajzot köszi elöre is
Sziasztok!Valaki tudna küldeni egy nyáktervet? Előre is köszönöm! 
ÉN is megépítettem cak az volt a probléma hogy nem tudtam megfelelő hangszórókat találni mellé pedig jo volt bár csak 100W on tudtam halgattni

Ez milyen fain lenne gitárhoz ?
Az egész környék hallaná szerintem, csak egy jó csöves előfokozat kell neki például egy Soldano SLO 100-as!
Így el mondhatnám hogy nekem van a világ leghangosabb gitármotyója. 
bazze ez buzi nagy... és ez csak az egyik fele!
a szobámba tervezek majd egy iyet polyénból, aztán kitörik majd az ablak...
ez az erősítő a PeCsába is elég lenne... Bár lehet hogy nem, mer az is rohadt nagy 
Nekem is megvan a teljes leírás. Ha jól emlékszem, akkor 500W-os az erőlködő szinuszos teljesítménye 4ohm-on, 2kW a zenei terhelhetőség... De bírja a 2ohm-ot is.
jo vicc ez nem 2kw-os meg van a tejes leirasom nyakal meg mindenel egyut 
nyáktervet lécci!!!