



Frekvenciaosztók
Egyszerű előerősítőAz első rajz nem is osztó, csak egy egyszerű előerősítő. Hogy a lehető legnagyobb érzékenységetállítsunk be, a nyugalmi szintet az R3 trimmerrel az U1A alsó és felső küszöbfeszültsége közé, középre kell beállítani.Ez az S1 kapcsoló AC (tehát kikapcsolt) állásában hatásos. A kapcsolás legfontosabb szerepe lehet a frekvenciamérő bemenetének védelme, amit az R1 ellenállás és a D1-D2 diódák látnak el. Frekvenciamérőhöz használható, annak bemeneti érzékenységének növeléséhez, és védelméhez. Az U1 típusa mivel kb 10-15 MHz körüli jelekről van csak szó nem lényeges túlzottan: jó a 74132, 74LS132, 74HCT132 is.
ElőosztókEz a kapcsolás már 10:1 arányban le is osztja a beérkező jeleket, mindamellett, hogy a bemenet védelemmel (D1, D2) is el van látva, valamint a jel erősítését is végzi. A jel erősítését a T1 végzi, a munkaponti áramát az R2 ellenállással lehet pontosan beállítani, aminek 8..10 mA közékell esnie. (az R2 ellenállással sorba kötött amper mérővel mérve) Ha pontosan be van állítva a munkaponti áram, és a T1 helyen GHz-nél magasabb határfrekvenciájú tranzisztor van, akkor 100 mV nagyságrendű jel már működteti az előosztót. A 95H90 típusú ECL előosztó maximális határfrekvenciája250..300 MHz közé esik, így a maximális frekvenciák esetén a kimenetén 25..30 Mhz frekvenciájú jel lép ki. Ez a jel TTL szintű és esetleg további felhasználáshoz még egy 10-es osztás szükséges lehet. 100 MHz felső frekvenciahatárt választva a kapcsolás egyszerűbb frekvenciamérőhöz használható, annak mérési tartományának kibővítéséhez.
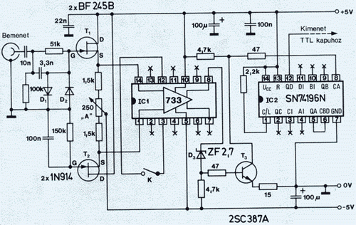
50 MHz határfrekvenciájú 10-es osztó áramkör:A következő kapcsoláson látható osztó áramkört főleg processzoros frekvenciamérőkhöz célszerű megépíteni, mert osztási aránya 1/64. A felső határfrekvencia 1,2 GHz! Az out kimeneten TTL szintű jel áll rendelkezésre.Az SP4731-el kompatibilis IC típusok: SDA4212 (Siemens), U664B (Telefunken), SAB6465 (Philips), SP6433(Plessey)
Természetesen minden osztót jól árnyékolt dobozban kell elkészíteni, amegfelelő zavarjel elnyomás miatt.
ElőosztókEz a kapcsolás már 10:1 arányban le is osztja a beérkező jeleket, mindamellett, hogy a bemenet védelemmel (D1, D2) is el van látva, valamint a jel erősítését is végzi. A jel erősítését a T1 végzi, a munkaponti áramát az R2 ellenállással lehet pontosan beállítani, aminek 8..10 mA közékell esnie. (az R2 ellenállással sorba kötött amper mérővel mérve) Ha pontosan be van állítva a munkaponti áram, és a T1 helyen GHz-nél magasabb határfrekvenciájú tranzisztor van, akkor 100 mV nagyságrendű jel már működteti az előosztót. A 95H90 típusú ECL előosztó maximális határfrekvenciája250..300 MHz közé esik, így a maximális frekvenciák esetén a kimenetén 25..30 Mhz frekvenciájú jel lép ki. Ez a jel TTL szintű és esetleg további felhasználáshoz még egy 10-es osztás szükséges lehet. 100 MHz felső frekvenciahatárt választva a kapcsolás egyszerűbb frekvenciamérőhöz használható, annak mérési tartományának kibővítéséhez.
50 MHz határfrekvenciájú 10-es osztó áramkör:A következő kapcsoláson látható osztó áramkört főleg processzoros frekvenciamérőkhöz célszerű megépíteni, mert osztási aránya 1/64. A felső határfrekvencia 1,2 GHz! Az out kimeneten TTL szintű jel áll rendelkezésre.Az SP4731-el kompatibilis IC típusok: SDA4212 (Siemens), U664B (Telefunken), SAB6465 (Philips), SP6433(Plessey)
Természetesen minden osztót jól árnyékolt dobozban kell elkészíteni, amegfelelő zavarjel elnyomás miatt.
Nézettség:










Szint:
Szavazat:
Készült:
2001. október 08. 23:46
2001. október 08. 23:46
Vélemény:
1
Szavazat:
16
Mai látogató:
7
Utolsó látogatás:
Ma 11:08:13
Bejelentkezés után használható funkció!
Értékeld a cikket!
Szavazatok
3,7
Legújabb írás
2025-01-01 15:06















Digitális IC katalógus
Tranzisztor katalógus
Dióda katalógus
PDF dokumentációk
Fórum
Partnerek
Letöltések
Belépés / Regisztráció
Vendégkönyv
Fényképalbum
Raktár






