



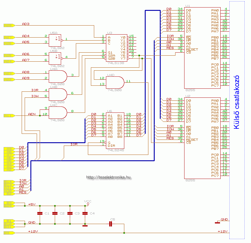
48 csatornás párhuzamos portkártya
Az áramkört a PC ISA slotjában elhelyezhető kártyára lehet megépíteni. A két PPI összesen 48 programozható ki- bemenetet jelent, melyek minden portja külön programozható. A sárga csatlakozó pontok a PC ISA slotjának a megfelelő számú pontjai.
A címdekóder bekötése a következő címeken teszi elérhetővé a két PPI-t:
A kártya kezeléséhez szükséges turbo pascal nyelven írt unit letölthető (ppi.zip).
A címdekóder bekötése a következő címeken teszi elérhetővé a két PPI-t:
| U1 A port | 300H | U2 A port | 308H | |
| U1 B port | 301H | U2 B port | 309H | |
| U1 C port | 302H | U2 C port | 30AH | |
| parancsregiszter | 303H | parancsregiszter | 30BH |
Nézettség:










Szint:
Szavazat:
Készült:
2000. július 09. 02:00
2000. július 09. 02:00
Jelenleg nincs dokumentum a cikkhez.
Vélemény:
1
Szavazat:
13
Mai látogató:
12
Utolsó látogatás:
Ma 10:50:13
Bejelentkezés után használható funkció!
Értékeld a cikket!
Szavazatok
4,4
Legújabb írás
2025-01-01 15:06















Digitális IC katalógus
Tranzisztor katalógus
Dióda katalógus
PDF dokumentációk
Fórum
Partnerek
Letöltések
Belépés / Regisztráció
Vendégkönyv
Fényképalbum
Raktár



