



Késleltetés 555 ( 556 dual) IC-vel
Analóg késleltetést - ez idáig - csak kondenzátor feltöltési, vagy kisütési idejének (feszültségének) kapcsolásával valósítottak meg, mert töltésnél Ukondenzátor = Utáp*(1-exp. -t/T), ahol T=R*C időállandó [sec], s ebből a folyamat ideje t = T * lnUk/lnUtáp.
Ebből következik, hogy hosszú időket nagy kapacitású kondenzátornak, nagy ellenálláson keresztül, a kondenzátornak a táphoz képest minél magasabb feszültségre töltésével lehet elérni. Viszont figyelembe kell venni azt is, hogy T idő háromszorosa után az exponenciális görbe gyakorlatilag alig emelkedik (vagy kisütésnél csökken), a feszültségváltozás alig mérhető, ami kapcsolásra alkalmatlan. Ezért 3*T -n belül kell az időzítést kapcsolni.
Az 555 IC lényegi működési elve az, hogy két műveleti erősítő, mint komparátor (összehasonlító) feszültségosztón keresztüli bemenő jelei szerint változó kimenetei egy set - reset flip-flop kimenetét kapcsolja alacsony, vagy magas szintre. Ez a kimenet egyrészt egy inverter erősítőn keresztül kivezetésre kerül az IC-ből, másrészt kapcsol egy NPN tranzisztort, ami ha magas jelet kap, letölti 0 potenciálra a kondenzátort.
Az IC belső felépítésének elvi vázlata, és a legegyszerűbb időzítő kapcsolás:
A működés megértéséhez szükséges a műveleti erősítők kapcsolásának segédábra szerinti szabály ismerete.
Az IC-ben R1, R2, R3 feszültségosztó ellenállások R1-R2 között 2/3 Vcc, R2-R3 között 1/3 Vcc feszültséget biztosítanak. A control (U-) feszültség a kapcsolásból következően mindig 2/3 Vcc értéken van. Ebből következően, amíg threshold értéke ezt nem éri el, vagy nem haladja meg I. műveleti erősítő 0 jelet ad ki, és a flip-flop nem váltja aktuális értékét.
A II. műveleti erősítő trigger bemenete (U-) alapállásban szintén Vcc értéken van, ezért ennek U+ = 1/3 Vcc bemenete kisebb és a kimenet szintén 0 a jel, és a flip-flop-t ez sem váltja.
Az inverz kapcsolások miatt ekkor a flip-flop kimenete magas, és NPN tranzisztor földeli (letölti) a kapcsolás C1 kondenzátorát. Ugyanakkor az IC kimenete alacsony (Vcc ((5-15V)) és terheléstől függően 0,1-2,5V között).
Amikor a K kapcsoló II. Me trigger (U-) bemenetére rövid 0 feszültséget ad, annak kimenete magas értékre vált, mert U+ > U- lesz, ezért flip-flop is vált 0 kimenetre, Tr lezár, output magas szintű lesz. (Vcc és terheléstől függően 3,3-13,3V)
Az időzítés megkezdődik, C1 kondenzátor P1+R4 ellenálláson keresztül töltődik. Amikor kondenzátor feszültség eléri 2/3 Vcc-t I.Me kimenete magas értékre vált (mert U+=U-), ami flip-flop-t is váltja, annak kimenete ismét magas lesz, Tr kisüti C1-t és IC output alacsony szintre vált; az időzítésnek vége. Újabb időzítés csak K ismételt zárásával kezdődik.
Megjegyzendő, hogy trigger csak rövid negatív feszültséget kaphat (amíg Ukondenzátor < 1/3Vcc) mert különben II.Me kimenete magas értéken marad, és ekkor I.Me magas értékénél flip-flop nem vált.
Egy megvalósított kapcsolást az alábbi ábra mutat, a feszültségváltozásokkal együtt.
A szemléletesség miatt a triggert (VF3) 10-20 mp. között kapcsoljuk 0 feszültségre. Látszik, hogy a kondenzátor már bekapcsolás alatt is töltődött (VF2), de még nem érte el 1/3*5V-t, ezért II.Me és flip-flop váltása is létrejött. VF1, VF2 görbe metszése ugyancsak mutatja, hogy a kikapcsolás 2/3*5 = 3,33V-nál történt.555 IC magas szintű kimenete 5V tápnál kb. 3,6V, és terhelhetősége 200mA. Ez a rajz be és kikapcsolásra egyaránt jó, mert IC kimenete kétféleképp felhasználható, egyrészt NPN tranzisztor bázisára vezetve (vigyázzunk túl nagy ellenállás alkalmazásánál nem lesz elegendő bázisáram) az időzítés alatti magas jelet azonos fázisban erősítünk, azaz időzítés idejére bekapcsolunk, másrészt, ha ugyanezt PNP tranzisztor bázisára vezetjük, az időzítés alatt kikapcsol egy egyébként bekapcsolt áramkört. Ha kimenetről relét vezérlünk, ugyanezek a funkciók megvalósíthatók. Továbbá az idő változtatható, ha R1 helyén potmétert használunk.
Más a helyzet, ha csak bekapcsolást akarunk késleltetni, mert akkor előző megoldás a triggerelés miatt nem alkalmazható. Bár utóbb kipróbáltam az R6 helyére 1Mohmos ellenállást, és SW1 kapcsoló helyett 10nF kondenzátort téve, az áramkör bekapcsolásakor megkezdődött a késleltetés, és a kimenet magas szinten (3,6V) indult.Ilyen esetben használható az alábbi, egyszerűbb kapcsolás is:
Itt a trigger, mivel töltetlen kondenzátornál 0 feszültségen van, és a kondenzátor miatt feszültsége is lassabban emelkedik, mint II.Me U+ -ja, azt átváltja és a késleltetést indítja. Ez után is együtt emelkedik thresholddal (I.Me U+) amíg az a 2/3Ucc-t el nem éri, és I.Me-t átváltva a késleltetést be nem fejezi.
A probléma ez után keletkezik, mert a kondenzátor feszültség alatt marad, és nincs újraindítási lehetőség, mert ha discharge-t (Tr) bekötnénk, akkor az időzítés végén azonnal kisütné a kondenzátort és a trigger (0 feszültség miatt) újraindítaná a késleltetést. (Monostabil oszcillátorrá alakulna)
Ezért marad az a lehetőség, hogy a rendszer kikapcsolása után D1 diódán keresztül a fogyasztó felé kisüljön a kondenzátor, és újra bekapcsoláskor trigger indítson.
Értelemszerűen ennél a kapcsolásnál, ha 555 kimenetére NPN tranzisztort teszünk, az csak a késleltetés ideje alatt fog vezetni, tartós bekapcsoláshoz PNP kell, vagy relé.
Irodalom szerint ilyenkor ajánlott IC Reset -ét 47K ellenálláson keresztül bekötni, a kapcsolási tranziensek véletlenszerű ki-be kapcsolásának kiküszöbölésére.
Megjegyzendő, hogy Reset Vcc feszültségen engedélyezi, 0 potenciálon tiltja IC működését. (Ezt esetleg egy összetett vezérlésben ki lehet használni)
Eddig az 555 IC késleltetési időhatárairól nem volt szó, de a diagramok és a T=1,1*C*R összefüggés mutatják, hogy tág határok közt változhat, és csak az R-C tagtól függ.
Extrém alacsony időkre is képes (hiszen monostabil multivibrátorként is ezt teszi), de ekkor az indítást különlegesen kell biztosítani negatív TTL jelnek a triggerre kapcsolásával, például egy flip-flop, vagy Schmitt trigger, vagy más IC kimenő jelével. Az időzítés mindig a negatív lefutó élnél kezdődik, miként azt a diagram is mutatja.
Más kérdés az extrém hosszú idejű késleltetés, mert a képletből is látszik, hogy pl. 10mF kondenzátor és 10Mohm ellenállás esetén is "csak" kb. 3 óra az időzítés. Egy kis trükkel ezt kb. a duplájára lehet növelni az alábbi kapcsolás szerint:
Itt az IC belső feszültségosztóját változtattuk meg az által, hogy az első 5Kohmos ellenállással a control bemeneten keresztül párhuzamosan kötöttünk egy 1,8Kohmos ellenállást, így azok eredője 0,75Kohm lett, ami a segédábra szerint 0,66-ról 0,88V-ra növelte a kikapcsolás küszöbfeszültségét. E miatt C1 kondenzátor hosszabb ideig töltődik (VF2 görbe), és ugyanez értékeket tartalmazó 2. ábrával összehasonlítva az idő 76 mp.-ről 153 mp-re növekedett.
A kapcsolásba C3 kondenzátor és R7 ellenállás nem feltétlenül kell, csak a triggerelés stabilitását növeli.
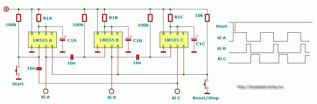
Még egy késleltetés növelési lehetősé az, hogy a következő ábra szerint több 555 IC-t kötünk egymás után, ahol az első IC késleltetésének végén kimeneti jel lefutó éle indítja következő IC triggerét, az az utána következőt, és így tovább, a késleltetési idő végtelenig növelhető. Kipróbálva működik, de kiderült, hogy itt feltétlenül kell a reset (4. Láb) elé a 47 Kohmos ellenállás mert tranziensek a 2., 3. IC flip-flopját egy pillanatra beindítják.
Az ábrában a 7 discharge láb be van kötve kondenzátorra, s az utolsó kimenet vissza van kötve első IC triggerére. Így monostabil oszcillátorként működik, de ha utolsót nem kötjük vissza, annak időzítése végén a rendszer leáll.
A közbenső kimeneteket is fel lehet használni, például az ábra szerinti kapcsolásban érdekes változó ütemű villogtatás készíthető. R1 és C1 értékek időzítés igény szerint szabadon választhatók, de kérdés, hogy kimenet - trigger csatolásoknál a 0,01uF kondenzátor elég nagy e? Tapasztalatom, hogy több kell.
Megjegyzendő még, hogy a control, amely egyszerű késleltetésnél mindig 2/3Vcc feszültségen van (ezt stabilizálja a földre kötött 10nF kondenzátor), más esetben fontos bemenete lehet az IC-nek. Controlon keresztül a monostabil kapcsolásban (3. ábra, a triggert kondenzátor 0 feszültsége indítja) lévő IC-be változó feszültséget vezetve a küszöbfeszültség is folyamatosan változik, aminek eredményeként a kimeneten frekvencia modulált hullám jön létre, s ez sok mindenre, pl. szirénának használható.
Még sokféle kapcsolás készíthető ezzel a "mindentudó" IC-vel, mert itt csak az alapmegoldásokról volt szó.
Ebből következik, hogy hosszú időket nagy kapacitású kondenzátornak, nagy ellenálláson keresztül, a kondenzátornak a táphoz képest minél magasabb feszültségre töltésével lehet elérni. Viszont figyelembe kell venni azt is, hogy T idő háromszorosa után az exponenciális görbe gyakorlatilag alig emelkedik (vagy kisütésnél csökken), a feszültségváltozás alig mérhető, ami kapcsolásra alkalmatlan. Ezért 3*T -n belül kell az időzítést kapcsolni.
Az 555 IC lényegi működési elve az, hogy két műveleti erősítő, mint komparátor (összehasonlító) feszültségosztón keresztüli bemenő jelei szerint változó kimenetei egy set - reset flip-flop kimenetét kapcsolja alacsony, vagy magas szintre. Ez a kimenet egyrészt egy inverter erősítőn keresztül kivezetésre kerül az IC-ből, másrészt kapcsol egy NPN tranzisztort, ami ha magas jelet kap, letölti 0 potenciálra a kondenzátort.
Az IC belső felépítésének elvi vázlata, és a legegyszerűbb időzítő kapcsolás:
A működés megértéséhez szükséges a műveleti erősítők kapcsolásának segédábra szerinti szabály ismerete.
Az IC-ben R1, R2, R3 feszültségosztó ellenállások R1-R2 között 2/3 Vcc, R2-R3 között 1/3 Vcc feszültséget biztosítanak. A control (U-) feszültség a kapcsolásból következően mindig 2/3 Vcc értéken van. Ebből következően, amíg threshold értéke ezt nem éri el, vagy nem haladja meg I. műveleti erősítő 0 jelet ad ki, és a flip-flop nem váltja aktuális értékét.
A II. műveleti erősítő trigger bemenete (U-) alapállásban szintén Vcc értéken van, ezért ennek U+ = 1/3 Vcc bemenete kisebb és a kimenet szintén 0 a jel, és a flip-flop-t ez sem váltja.
Az inverz kapcsolások miatt ekkor a flip-flop kimenete magas, és NPN tranzisztor földeli (letölti) a kapcsolás C1 kondenzátorát. Ugyanakkor az IC kimenete alacsony (Vcc ((5-15V)) és terheléstől függően 0,1-2,5V között).
Amikor a K kapcsoló II. Me trigger (U-) bemenetére rövid 0 feszültséget ad, annak kimenete magas értékre vált, mert U+ > U- lesz, ezért flip-flop is vált 0 kimenetre, Tr lezár, output magas szintű lesz. (Vcc és terheléstől függően 3,3-13,3V)
Az időzítés megkezdődik, C1 kondenzátor P1+R4 ellenálláson keresztül töltődik. Amikor kondenzátor feszültség eléri 2/3 Vcc-t I.Me kimenete magas értékre vált (mert U+=U-), ami flip-flop-t is váltja, annak kimenete ismét magas lesz, Tr kisüti C1-t és IC output alacsony szintre vált; az időzítésnek vége. Újabb időzítés csak K ismételt zárásával kezdődik.
Megjegyzendő, hogy trigger csak rövid negatív feszültséget kaphat (amíg Ukondenzátor < 1/3Vcc) mert különben II.Me kimenete magas értéken marad, és ekkor I.Me magas értékénél flip-flop nem vált.
Egy megvalósított kapcsolást az alábbi ábra mutat, a feszültségváltozásokkal együtt.
A szemléletesség miatt a triggert (VF3) 10-20 mp. között kapcsoljuk 0 feszültségre. Látszik, hogy a kondenzátor már bekapcsolás alatt is töltődött (VF2), de még nem érte el 1/3*5V-t, ezért II.Me és flip-flop váltása is létrejött. VF1, VF2 görbe metszése ugyancsak mutatja, hogy a kikapcsolás 2/3*5 = 3,33V-nál történt.555 IC magas szintű kimenete 5V tápnál kb. 3,6V, és terhelhetősége 200mA. Ez a rajz be és kikapcsolásra egyaránt jó, mert IC kimenete kétféleképp felhasználható, egyrészt NPN tranzisztor bázisára vezetve (vigyázzunk túl nagy ellenállás alkalmazásánál nem lesz elegendő bázisáram) az időzítés alatti magas jelet azonos fázisban erősítünk, azaz időzítés idejére bekapcsolunk, másrészt, ha ugyanezt PNP tranzisztor bázisára vezetjük, az időzítés alatt kikapcsol egy egyébként bekapcsolt áramkört. Ha kimenetről relét vezérlünk, ugyanezek a funkciók megvalósíthatók. Továbbá az idő változtatható, ha R1 helyén potmétert használunk.
Más a helyzet, ha csak bekapcsolást akarunk késleltetni, mert akkor előző megoldás a triggerelés miatt nem alkalmazható. Bár utóbb kipróbáltam az R6 helyére 1Mohmos ellenállást, és SW1 kapcsoló helyett 10nF kondenzátort téve, az áramkör bekapcsolásakor megkezdődött a késleltetés, és a kimenet magas szinten (3,6V) indult.Ilyen esetben használható az alábbi, egyszerűbb kapcsolás is:
Itt a trigger, mivel töltetlen kondenzátornál 0 feszültségen van, és a kondenzátor miatt feszültsége is lassabban emelkedik, mint II.Me U+ -ja, azt átváltja és a késleltetést indítja. Ez után is együtt emelkedik thresholddal (I.Me U+) amíg az a 2/3Ucc-t el nem éri, és I.Me-t átváltva a késleltetést be nem fejezi.
A probléma ez után keletkezik, mert a kondenzátor feszültség alatt marad, és nincs újraindítási lehetőség, mert ha discharge-t (Tr) bekötnénk, akkor az időzítés végén azonnal kisütné a kondenzátort és a trigger (0 feszültség miatt) újraindítaná a késleltetést. (Monostabil oszcillátorrá alakulna)
Ezért marad az a lehetőség, hogy a rendszer kikapcsolása után D1 diódán keresztül a fogyasztó felé kisüljön a kondenzátor, és újra bekapcsoláskor trigger indítson.
Értelemszerűen ennél a kapcsolásnál, ha 555 kimenetére NPN tranzisztort teszünk, az csak a késleltetés ideje alatt fog vezetni, tartós bekapcsoláshoz PNP kell, vagy relé.
Irodalom szerint ilyenkor ajánlott IC Reset -ét 47K ellenálláson keresztül bekötni, a kapcsolási tranziensek véletlenszerű ki-be kapcsolásának kiküszöbölésére.
Megjegyzendő, hogy Reset Vcc feszültségen engedélyezi, 0 potenciálon tiltja IC működését. (Ezt esetleg egy összetett vezérlésben ki lehet használni)
Eddig az 555 IC késleltetési időhatárairól nem volt szó, de a diagramok és a T=1,1*C*R összefüggés mutatják, hogy tág határok közt változhat, és csak az R-C tagtól függ.
Extrém alacsony időkre is képes (hiszen monostabil multivibrátorként is ezt teszi), de ekkor az indítást különlegesen kell biztosítani negatív TTL jelnek a triggerre kapcsolásával, például egy flip-flop, vagy Schmitt trigger, vagy más IC kimenő jelével. Az időzítés mindig a negatív lefutó élnél kezdődik, miként azt a diagram is mutatja.
Más kérdés az extrém hosszú idejű késleltetés, mert a képletből is látszik, hogy pl. 10mF kondenzátor és 10Mohm ellenállás esetén is "csak" kb. 3 óra az időzítés. Egy kis trükkel ezt kb. a duplájára lehet növelni az alábbi kapcsolás szerint:
Itt az IC belső feszültségosztóját változtattuk meg az által, hogy az első 5Kohmos ellenállással a control bemeneten keresztül párhuzamosan kötöttünk egy 1,8Kohmos ellenállást, így azok eredője 0,75Kohm lett, ami a segédábra szerint 0,66-ról 0,88V-ra növelte a kikapcsolás küszöbfeszültségét. E miatt C1 kondenzátor hosszabb ideig töltődik (VF2 görbe), és ugyanez értékeket tartalmazó 2. ábrával összehasonlítva az idő 76 mp.-ről 153 mp-re növekedett.
A kapcsolásba C3 kondenzátor és R7 ellenállás nem feltétlenül kell, csak a triggerelés stabilitását növeli.
Még egy késleltetés növelési lehetősé az, hogy a következő ábra szerint több 555 IC-t kötünk egymás után, ahol az első IC késleltetésének végén kimeneti jel lefutó éle indítja következő IC triggerét, az az utána következőt, és így tovább, a késleltetési idő végtelenig növelhető. Kipróbálva működik, de kiderült, hogy itt feltétlenül kell a reset (4. Láb) elé a 47 Kohmos ellenállás mert tranziensek a 2., 3. IC flip-flopját egy pillanatra beindítják.
Az ábrában a 7 discharge láb be van kötve kondenzátorra, s az utolsó kimenet vissza van kötve első IC triggerére. Így monostabil oszcillátorként működik, de ha utolsót nem kötjük vissza, annak időzítése végén a rendszer leáll.
A közbenső kimeneteket is fel lehet használni, például az ábra szerinti kapcsolásban érdekes változó ütemű villogtatás készíthető. R1 és C1 értékek időzítés igény szerint szabadon választhatók, de kérdés, hogy kimenet - trigger csatolásoknál a 0,01uF kondenzátor elég nagy e? Tapasztalatom, hogy több kell.
Megjegyzendő még, hogy a control, amely egyszerű késleltetésnél mindig 2/3Vcc feszültségen van (ezt stabilizálja a földre kötött 10nF kondenzátor), más esetben fontos bemenete lehet az IC-nek. Controlon keresztül a monostabil kapcsolásban (3. ábra, a triggert kondenzátor 0 feszültsége indítja) lévő IC-be változó feszültséget vezetve a küszöbfeszültség is folyamatosan változik, aminek eredményeként a kimeneten frekvencia modulált hullám jön létre, s ez sok mindenre, pl. szirénának használható.
Még sokféle kapcsolás készíthető ezzel a "mindentudó" IC-vel, mert itt csak az alapmegoldásokról volt szó.
Nézettség:










Szint:
Szavazat:
Készült:
2009. december 30. 09:41
2009. december 30. 09:41
Vélemény:
2
Szavazat:
17
Mai látogató:
32
Utolsó látogatás:
Ma 07:48:20
Bejelentkezés után használható funkció!
Értékeld a cikket!
Szavazatok
3,8
Az írást küldte: Samodai Géza
Legújabb írás
2025-01-01 15:06
















Digitális IC katalógus
Tranzisztor katalógus
Dióda katalógus
PDF dokumentációk
Fórum
Partnerek
Letöltések
Belépés / Regisztráció
Vendégkönyv
Fényképalbum
Raktár








555