



HF erősítő 2 x 200W vagy 1 x 400W
Nyomtatott áramkör
Bejelentkezés után működő funkció!





2010. január 26. 08:53
Vélemény:
31
Szavazat:
18
Mai látogató:
7
Utolsó látogatás:
2025. november 15. 23:39:31
Legújabb írás
2025-01-01 15:06




















Nyomtatott áramkör
Bejelentkezés után működő funkció!





Vélemény:
31
Szavazat:
18
Mai látogató:
7
Utolsó látogatás:
2025. november 15. 23:39:31
2025-01-01 15:06Üdv! Létezik egy roppant egyszerű megoldás a teljesítmény növelésére. Fázisfordítás alkalmazásával egyszerű megoldás TL072ic-vel megépített fázisfordító adapter alkalmazása én ezt használom. 8ohm-on +-32Voltról 150W teljesítményig szinte nincs mérhető torzítás.Ezért egyszerű teljesítmény végerősítőt lehet 4db TDA7294panellal építeni én így hangosítok egy kis kocsmába (retró bulikat szoktam csinálni).
ez a kapcsolás egy butaság.mitől tudna többet 2 vagy akár 5 párhuzamosan kapcsolt ic mint az 1 db????hacsak nem 1 ohmos hangszórót szeretnél használni.csak a terhelőimpedancia lehet kisebb a több ic használatával.de mivel a kimenőfeszt nem emeli,8 ohm-on 10-et is párhuzamosan köthetsz,akkor sem fog jobban szólni.a híd kapcsolás már egészen más,de az a master-slave elrendezés nem az igazi sajnos.ténylegesen ellenütemben kell vezérelni a 2 ic-t egymással szemben és akkor lesz 250w teljesítményed 2x35 v-rol 8 ohmon.én ilyen kapcsolást használok 8 éve és eddig mindenkit meggyőzött a hangja,bármennyire is elfogult volt a házilag épített cuccokkal szemben
hat perse eleglesz a 3 hutoborda az ic -ket nem kel szigetelni egymastol csag ne kosd ra a gend -et mert akor baj[COLOR=#000080][/COLOR]
Elvileg akármennyi sorba köthető, de minek? Hová szeretnéd? 60 watt egy normális hangfallal még buliban is elég, 400 wattal pedig egy kisebb PA rendszert lehet építeni.
Üdv! Vki mondja már meg nekem h ebből az icből ezzel a kapcsolással mennyi köthető sorba a nagyobb teljsítmény érdekében mert az látom h kettőt így kell összekötni de a 3. at és ... is rátudnám ugyan ilyen kapcsolásban kötni
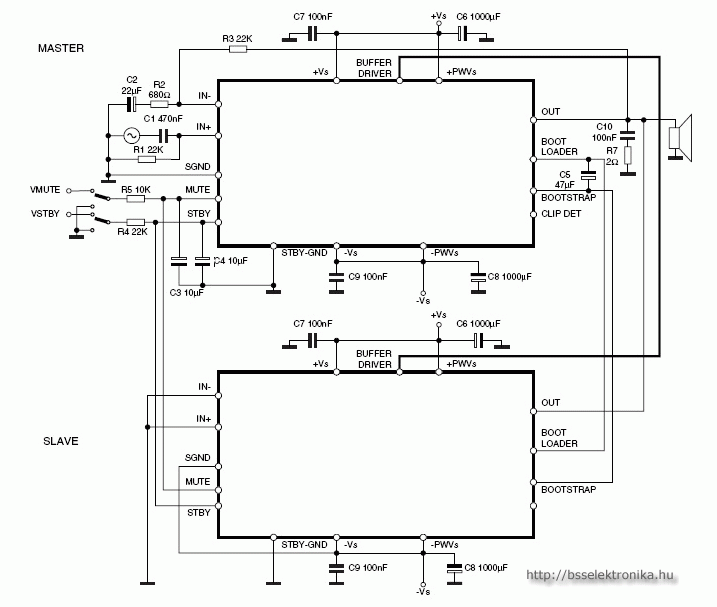
[COLOR=#800000][/COLOR] Figyelem!! Itt TDA7293 as van!! TDA7294 et csak egyszer lehet hídba kötni!! Szóval max 2*200watt!! Meg elég drága a TDA7293, Max: 40V al üzemelhető.
A beültetési rajzon 7db ellenállás van míg a kapcsolási rajzon 6 és az egyik R7-ként van jelölve, de hiányzik az R6. 
Akkor most kell oda még 1 ellenállás?


én ST-BY ra és MUTE ra egy 5V os fesszabon keresztül adtam 5V ot. de a te problémádat nem ez okozhatja mert ha valamelyik kikapcsolt állapotban van akkor a kimenete inaktív. pontosan milyen ic-t használtál? TDA7294S vagy TDA7294V? mert erre a célra csak a S jelű a jó.
sziasztok egy kis segítségre lenne szükségem!most lettem kész vele ki is próbáltam de amikor áramot adtam neki a hangszórók: elöször 1-2 másodpercig semmi aztán beugrott (hátra húzódott) utána pedig kinyomódott mintha egyen áramot kapna de közben búgó hangot adott ki( mintha kb 80Hzt halgattam volna)probáltam úgy is hogy a bemenetet testre kötöm de nem javult. következtetem hogy nem "kintről" jön a zaj hanem a kapcsoláson lesz a hiba+-14 voltal megy (sajnos nem tudok jobb trafót szerezni)oldalanként:20000uF4000uF1000uF400uF100uF400nF100nF nem pontos kerekített értékekkondik vannak szűréshez. nem hiszem hogy innen jön a zajátnézésre nem találtam benne hibát nem érnek össze sehol a marásnál ahol nem kéne. Az ick el vannak bordátol szigetelvea ST-BY re 14v van kötve 22K keresztül nem láttam határértéket neki csak hogy 3.5v fölött legyen kikapcsoláshozlehet hogy ez a baj?ha van ötletetek hogy mit probáljak meg a javulás érdekében nagyon megköszönném üdv Árpi
Hali.A felső nyákterv az 1x200w és az alsó 2x200w (stereo, 400w)nem?
