



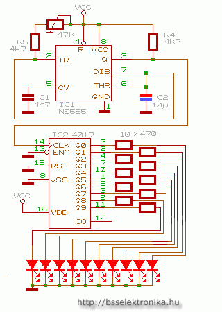
Futófény 2 IC-vel
Ugyancsak CMOS IC-kel, 4017 alapon megvalósított bármennyi LED-del megvalósítható futófény kapcsolást is érdemes megnézni.






2005. július 14. 14:10
Vélemény:
71
Szavazat:
27
Mai látogató:
91
Utolsó látogatás:
Ma 22:29:31
Legújabb írás
2025-01-01 15:06















Digitális IC katalógus
Tranzisztor katalógus
Dióda katalógus
PDF dokumentációk
Fórum
Partnerek
Letöltések
Belépés / Regisztráció
Vendégkönyv
Fényképalbum
Raktár





555
mert én az elektrodroidos lábkiosztásban nem találtam oljat
előre is köszi
