



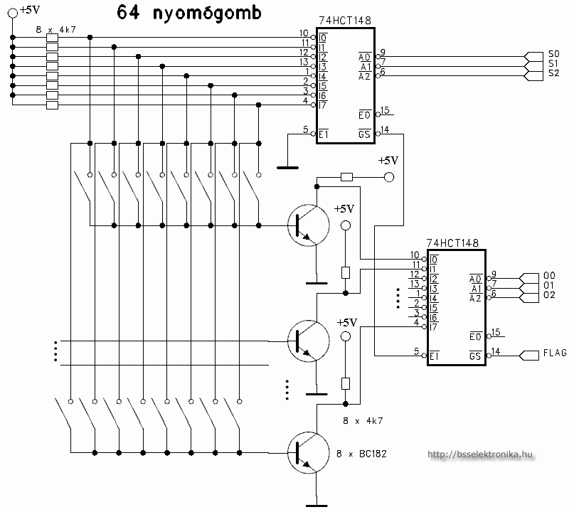
Billentyűzet vezérlő
Ha az alsó 74HCT148 helyett 74HCT147 van berakva, akkor akár 8x9 gombotis lehet kezelni vele, mindenféle mikroprocesszor nélkül.
Nem kell letapogatást csinálni, mindent elvégez, és még jelez is ha esemény történt. Egyszerre egy gomb megnyomását jelzi, több gomb egyidejű megnyomásakor a magasabbprioritású lesz a hatásos.





2005. május 11. 13:30
Vélemény:
6
Szavazat:
16
Mai látogató:
87
Utolsó látogatás:
Ma 07:57:28
Legújabb írás
2025-01-01 15:06















Digitális IC katalógus
Tranzisztor katalógus
Dióda katalógus
PDF dokumentációk
Fórum
Partnerek
Letöltések
Belépés / Regisztráció
Vendégkönyv
Fényképalbum
Raktár





